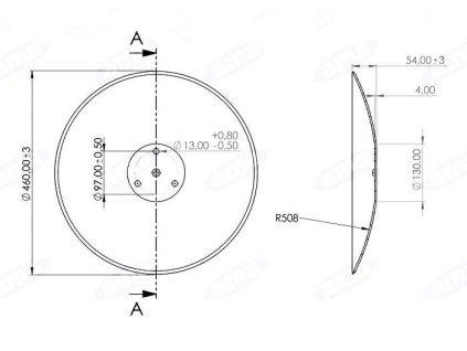
Eggenscheiben
Die Scheiben sind das Herzstück einer Scheibenegge und eine entscheidende Rolle bei der Bearbeitung und Vorbereitung des Bodens für die Landwirtschaft spielen.
Die Eigenschaften der Scheiben, wie Durchmesser, Form (glatt oder gezahnt) und Anstellwinkel, beeinflussen die Arbeitsweise der Scheibenegge und ihre Eignung für verschiedene Bodenarten und -bedingungen.
Produktsortierung
111 Artikel insgesamt
