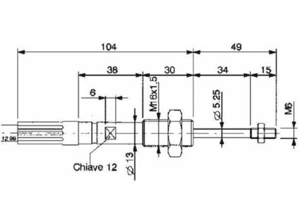
Bowdenzug für Steuerventil
Ein Hydraulik-Bowdenzug für ein Steuerventil dient dazu, die Bewegung eines Bedienelements (z.B. eines Hebels) auf das Steuerventil zu übertragen, um dessen Position zu verändern und somit den Durchfluss von Hydraulikflüssigkeit zu steuern. Im Wesentlichen ermöglicht der Bowdenzug eine mechanische Fernbedienung des Ventils.
Beispiel:
Stellen Sie sich einen Bagger vor. Der Bediener sitzt in der Kabine und betätigt einen Hebel, um den Ausleger zu heben oder zu senken. Dieser Hebel ist über einen Bowdenzug mit dem Steuerventil verbunden, das den Ölfluss zum Hydraulikzylinder des Auslegers steuert. Durch das Ziehen oder Drücken des Hebels wird der Bowdenzug betätigt, was wiederum das Steuerventil öffnet oder schließt und somit den Ausleger bewegt.
