Zylinderrohr 80/200 mm
Artikelnummer: 0TA8020Detaillierte Produktbeschreibung
Zylinderrohr 80/200 mm
Zusätzliche Parameter
| Kategorie: | Hydraulikzylinder und Oberlenker |
|---|---|
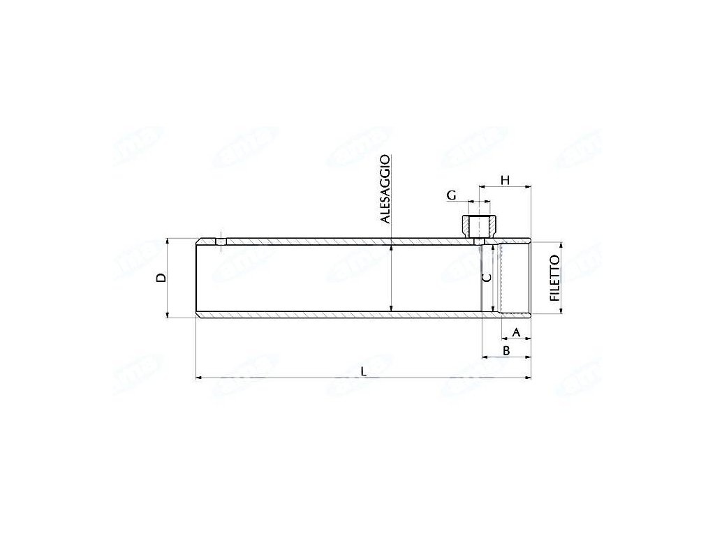
| A: | 35 |
| B: | 52 |
| C: | 80,6 |
| D: | 95 |
| G: | 3/8" |
| Gewicht kg: | 5,35 |
| H: | 55 |
| L: | 330 |
| Gewinde: | 85x20 |
| Hublänge CORSA (STROKE): | 200 |
| Zylinderboden: | ne |
| Zylinder-Ø innen (mm): | 80,6 |
Diskussion
Seien Sie der Erste, der einen Beitrag über diesen Artikel schreibt.
