Teleskopzylinder für Kipper 11 Tonnen/1480 mm
Artikelnummer: 01446Detaillierte Produktbeschreibung
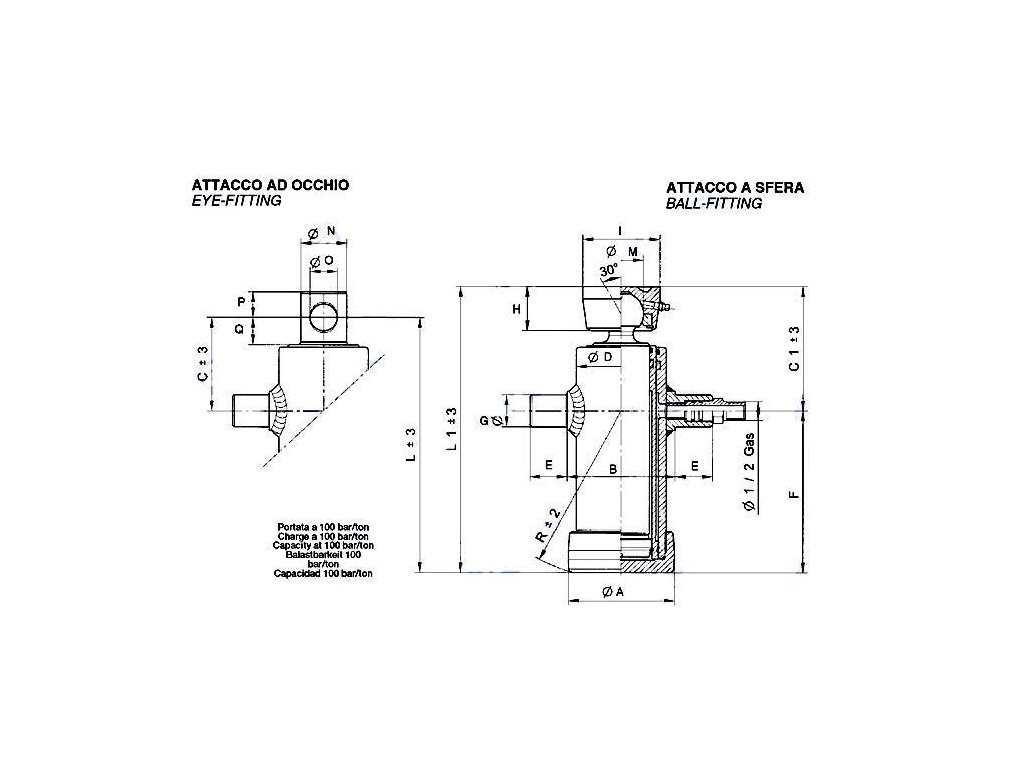
Teleskopzylinder für Kipper 11 Tonnen/1480 mm
5-stufig : ø 61 mm - ø 76 mm - ø 91 mm - ø 107 mm - ø 126 mm.
Verlängerung 1480 mm, Kapazität 11 Tonnen, Betriebsdruck 180 Bar.
Zusätzliche Parameter
| Kategorie: | Hydraulikzylinder und Oberlenker |
|---|---|
| EAN: | 8023453014464 |
| Maß A: | 172 |
| Anschweißmuffe: | S235JR EN10027-1 (FE360b) |
| Ausführung: | Bohrung in Kolbenstange |
| Betriebsdruck: | 180 |
| Dichtung: | Polyuretan |
| Dichtungssatz: | Best. -Nr. 58171 |
| Druck (max.): | 250 |
| Hublänge CORSA (STROKE): | 1480 |
| Kolben: | UNI 9SMn Pb28 |
| Kopfmutter: | Hydraulikguss UNI 5007 G25 |
| Maß B: | 172 |
| Maß C: | 120 |
| Maß Q: | 25 |
| Maß D: | 150 |
| Maß E: | 45 |
| Maß F: | 313 |
| Maß G: | 45 |
| Maß L: | 433 |
| Maß N: | 59 |
| Maß O: | 31 |
| Maß P: | 30 |
| Montagehülse: | S355JR EN 10027-01 (Fe510b) |
| Rohre: | Stahl St523 - DIN2393 ISO H9 |
| Sicherungsmutter: | Stahl UNI 7473-7474 |
| Temperatur: | -25 až +80 C° |
| Traglast: | 11 t/180 bar |
| Verchromte Kolbenstange: | Stahl UNI C45 SAE1045 |
| Verchromung: | 25 Micron +/- 5 |
| Volumen: | 11 |
| Zylinderboden: | S235JR EN 10027-1 (Fe360b) |
Diskussion
Seien Sie der Erste, der einen Beitrag über diesen Artikel schreibt.
