Teleskopzylinder für Kipper 8 Tonnen/785 mm
Artikelnummer: 01420Detaillierte Produktbeschreibung
Teleskopzylinder für Kipper 8 Tonnen/785 mm
3-stufig : ø 61 mm - ø 76 mm - ø 91 mm.
Verlängerung 785 mm, Kapazität 8 Tonnen, Betriebsdruck 180 bar.
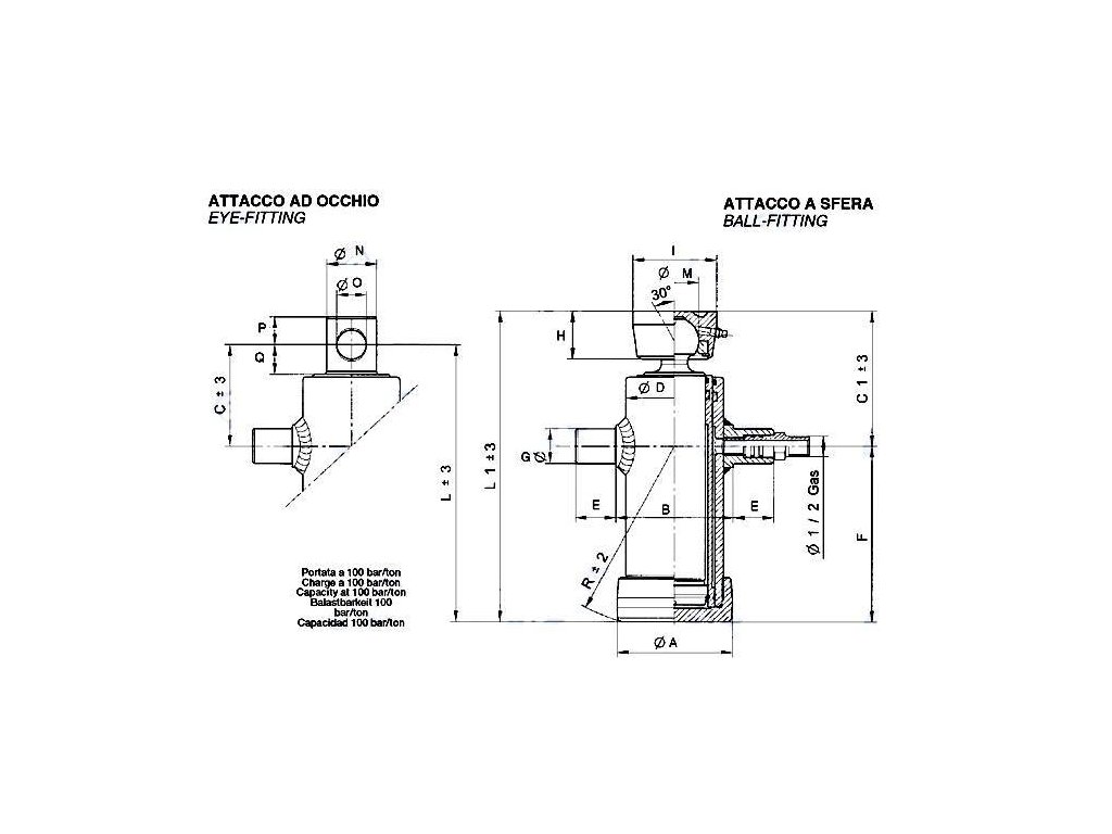
Zusätzliche Parameter
| Kategorie: | Hydraulikzylinder und Oberlenker |
|---|---|
| EAN: | 8023453014204 |
| Maß A: | 130 |
| Maß B: | 134 |
| Maß C: | 110 |
| Teplota: | -25 až +80 °C |
| Anschweißmuffe: | S235JR EN10027-1 (FE360b) |
| Ausführung: | mit Kugel |
| Betriebsdruck: | 180 |
| Dichtung: | Polyuretan |
| Dichtungssatz: | Best. -Nr. 58169 |
| Druck (max.): | 250 |
| Hublänge CORSA (STROKE): | 785 |
| Kolbenstange: | UNI 9SMn Pb28 |
| Kopfmutter: | Hydraulikguss UNI 5007 G25 |
| Maß D: | 112,5 |
| Maß E: | 40 |
| Maß F: | 280 |
| Maß G: | 35 |
| Maß L: | 387 |
| Maß N: | 59 |
| Maß O: | 31 |
| Maß P: | 30 |
| Maß Q: | 25 |
| Montagehülse: | S355JR EN 10027-01 (Fe510b) |
| Rohre: | Ocel St523 - DIN2393 ISO H9 |
| Sicherungsmutter: | Stahl UNI 7473-7474 |
| Traglast: | 8 (t)/180 bar |
| Verchromung: | 25 Micron +/- 5, Stahl UNI C45 SAE1045 |
| Volumen: | 3,8 |
| Zylinderboden: | S235JR EN 10027-1 (Fe360b) |
Diskussion
Seien Sie der Erste, der einen Beitrag über diesen Artikel schreibt.
