Spannmutter, Haken-Haken, 110 mm
Artikelnummer: 01047Detaillierte Produktbeschreibung
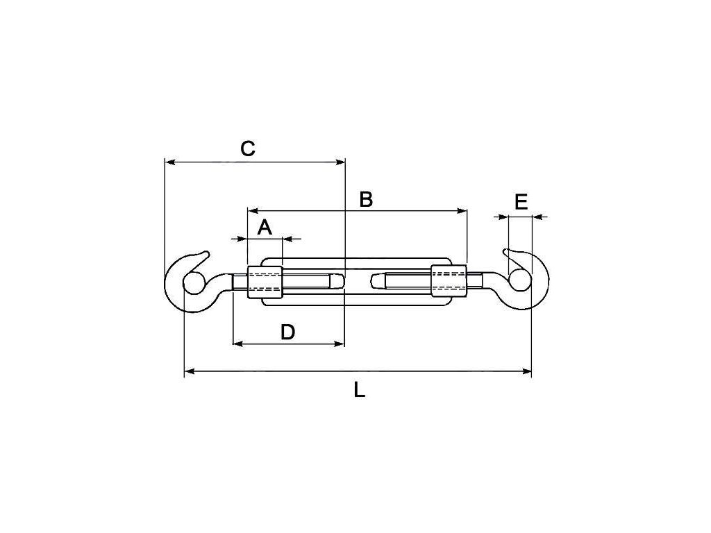
Spannmutter, Haken - Haken. Einstellbarer Abstand 162-245mm.
Zusätzliche Parameter
| Kategorie: | Ersatzteile |
|---|---|
| EAN: | 8023453010473 |
| A: | 12 |
| B: | 110 |
| C: | 89 |
| D: | 52 |
| E: | 10 |
| Max. délka: | 245 |
| Maximální zatížení KG: | 165 |
| Min. délka: | 162 |
| Poznámka: | zinkováno |
| Závit: | 8 |
Diskussion
Seien Sie der Erste, der einen Beitrag über diesen Artikel schreibt.
