Rollenkette ECOPLUS 16B-2 ISO 606 / 5 m
Artikelnummer: 11375Detaillierte Produktbeschreibung
Rollenkette ECOPLUS ISO 606 - DIN 8187 16B-2
Ecoplus ist die zweite Marke des renommierten deutschen Kettenherstellers Iwis Antriebssysteme. Diese Marke wurde als wirtschaftliches Sortiment zur Ergänzung des Standardprogramms dieses Herstellers geschaffen. Es handelt sich um Qualitätsketten, die nach den Normen ISO 606 - DIN 8187 hergestellt werden.
Die ECOPLUS 16B-2 ISO606 - DIN 8187 Rollenkette ist eine zweireihige Antriebskette.
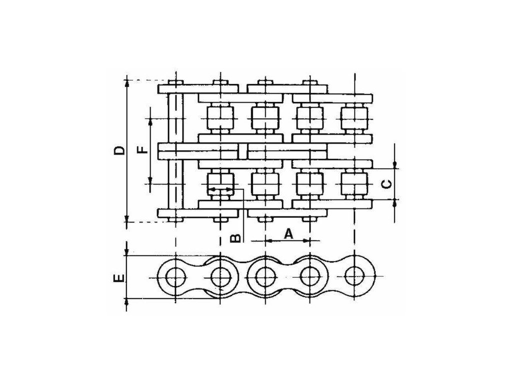
Zusätzliche Parameter
| Kategorie: | Ersatzteile |
|---|---|
| EAN: | 8023453226379 |
| A: | 25,40 |
| B: | 15,88 |
| C: | 17,00 |
| D: | 67,90 |
| E: | 21,00 |
| F: | 31,88 |
| Länge: | 5 |
| Profil: | 16B-2 |
| Typ: | ISO 16B-2 1x17,02 mm |
| Gewicht: | 5,42 |
| Norm: | DIN 8187 - ISO 606 |
| Zusatzinformationen: | Verschlußglied 11376x11377 |
| Zugfestigkeit: | 106 |
Diskussion
Seien Sie der Erste, der einen Beitrag über diesen Artikel schreibt.
