Gerader Verbinder 12 mm, 18x1,5
Artikelnummer: 50086Detaillierte Produktbeschreibung
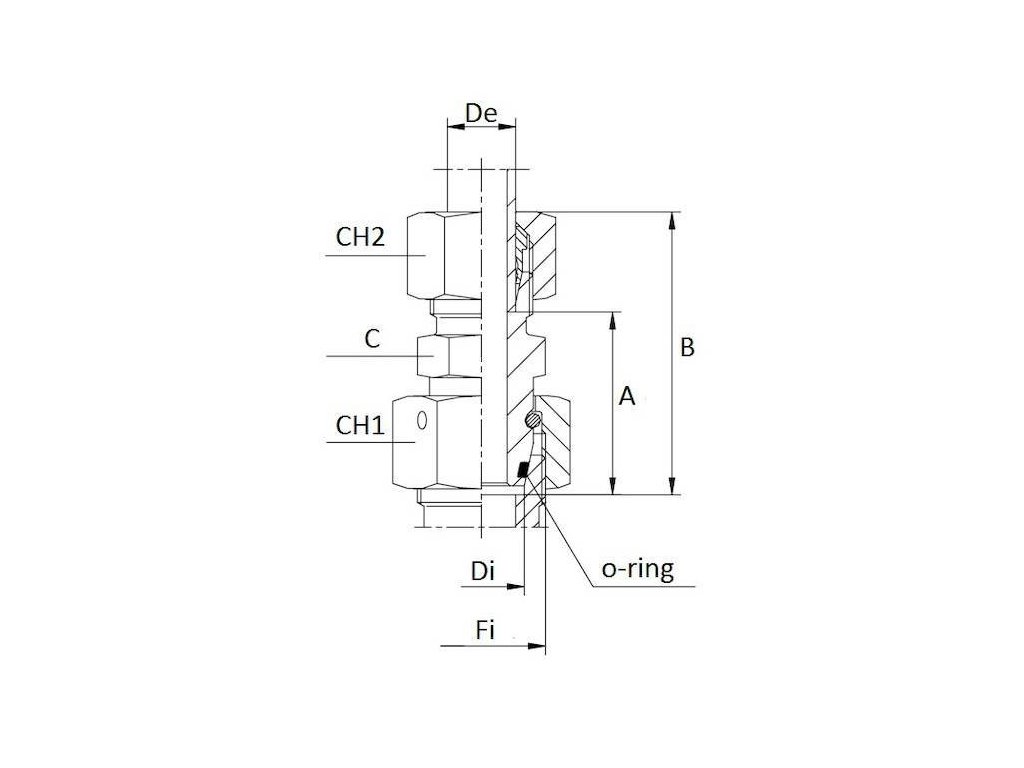
Gerader Verbinder für Hydraulikleitungen mit Anschluss 1 x Überwurfmutter mit Schneidring für 12 mm Rohr und Überwurfmutter mit 18x1,5 Gewinde.
Zusätzliche Parameter
| Kategorie: | Hydraulikleitungen, Schläuche, Reduzierstücke |
|---|---|
| EAN: | 8023453445718 |
| A mm: | 26,5 |
| B mm: | 41,5 |
| C mm: | 17 |
| Typ: | 12L - 10L |
| Außen Ø (mm): | 10 |
| Innen Ø (mm): | 12 |
| Innengewinde: | M 18x1,5 |
Diskussion
Seien Sie der Erste, der einen Beitrag über diesen Artikel schreibt.
