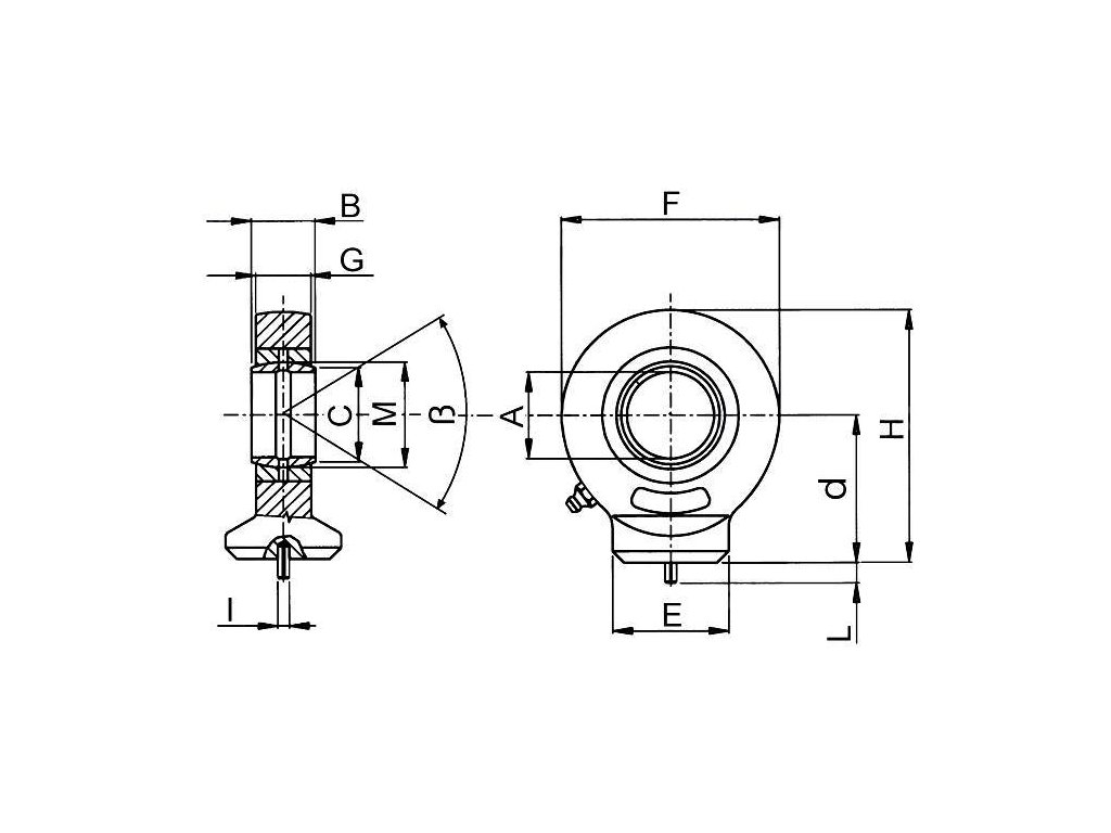
Gelenkkopf - Schweissbar 80mm. Wartungspflichtig, nachschmierbar über Schmiernippel
Artikelnummer: 07218Detaillierte Produktbeschreibung
Gelenkkopf - Schweissbar 80mm. Wartungspflichtig, nachschmierbar über Schmiernippel
Zusätzliche Parameter
| Kategorie: | Hydraulikzylinder und Oberlenker |
|---|---|
| EAN: | 8023453072181 |
| A (mm): | 80 |
| B (mm): | 55 |
| F (mm): | 180 |
| G (mm): | 47 |
| Gewicht kg: | 10 |
| Standard: | ISO 12240 E Serie, die Form C |
| C (mm): | 89 |
| D (mm): | 141 |
| dynamische Belastung: | 100 kN |
| E (mm): | 95 |
| H (mm): | 231 |
| I (mm): | 6 |
| L (mm): | 6 |
| M (mm): | 105 |
| Materal: | Stahl |
| max. Arbeitswinkel: | 12 |
| statische Belastung: | 620 kN |
Diskussion
Seien Sie der Erste, der einen Beitrag über diesen Artikel schreibt.
