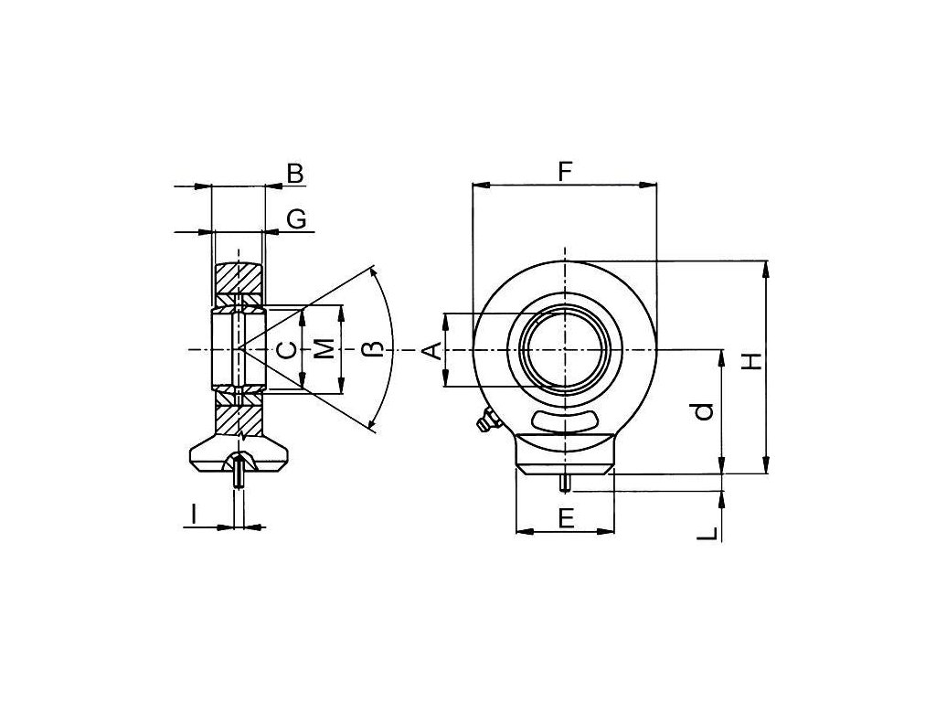
Gelenkkopf - Schweissbar 10 mm. Wartungspflichtig, nachschmierbar über Schmiernippel (d=15mm nur über ein Schmierloch
Artikelnummer: 07210Detaillierte Produktbeschreibung
Gelenkkopf - Schweissbar 10 mm. Wartungspflichtig, nachschmierbar über Schmiernippel (d=15mm nur über ein Schmierloch
Zusätzliche Parameter
| Kategorie: | Hydraulikzylinder und Oberlenker |
|---|---|
| EAN: | 8023453072105 |
| A: | 10 mm |
| B: | 9 mm |
| C: | 13 mm |
| D: | 24 mm |
| E: | 15 mm |
| F: | 29 mm |
| G: | 7 mm |
| H: | 38,5 mm |
| I: | 3 mm |
| L: | 6 mm |
| M: | 16 mm |
| max. pracovní úhel: | 24 Grad |
| Material: | Stahl/Stahl |
| dynamische Belastung: | 8.15 kN |
| nach: | ISO 12240 E-Reihe, Form C |
| statische Belastung: | 15.6 kN |
Diskussion
Seien Sie der Erste, der einen Beitrag über diesen Artikel schreibt.
