Futter/Ernte/Boden, Seite 2
-
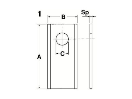
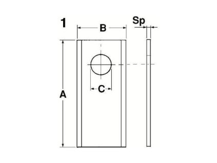
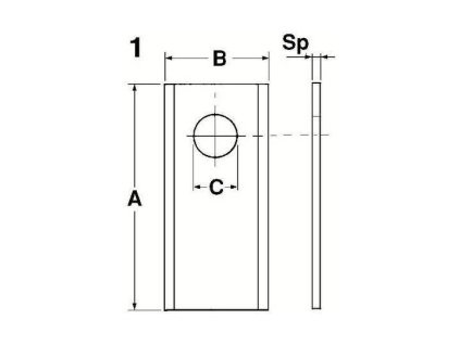
Hammerschlegel für Mulcher und Messer für Bodenfräsen
-
Federzinken für Heuwender, Schwader, Ballenpresser
